Servo Mitsubishi là gì? Cấu tạo, Nguyên lý hoạt động & 5 Ứng dụng trong Công nghiệp
[hptech_products category="servo-mitsubishi" limit="12"]
Trong kỷ nguyên tự động hóa công nghiệp hiện đại, Servo Mitsubishi đã trở thành một giải pháp truyền động không thể thiếu, đóng vai trò then chốt trong việc điều khiển chuyển động chính xác và hiệu quả. Từ các dây chuyền sản xuất phức tạp đến những cỗ máy đòi hỏi độ tinh vi cao, Servo Mitsubishi luôn là lựa chọn hàng đầu của các kỹ sư và doanh nghiệp. Bài viết này sẽ đi sâu giải thích Servo Mitsubishi là gì, cấu tạo chi tiết, nguyên lý hoạt động và những ứng dụng rộng rãi của nó trong các ngành công nghiệp.
I. Servo Mitsubishi là gì? Định nghĩa và tầm quan trọng
Servo Mitsubishi là một hệ thống điều khiển chuyển động tiên tiến do Mitsubishi Electric sản xuất, bao gồm động cơ servo và bộ điều khiển servo (driver). Mục tiêu chính của hệ thống này là cung cấp khả năng điều khiển chính xác tuyệt đối về vị trí, tốc độ và mô-men xoắn của động cơ. Khác với các loại động cơ thông thường, Servo Mitsubishi hoạt động trong một hệ thống điều khiển vòng kín, liên tục nhận phản hồi để điều chỉnh đầu ra, đảm bảo động cơ di chuyển đến vị trí mục tiêu với độ chính xác cao và đáp ứng nhanh chóng với các lệnh điều khiển.
Mitsubishi Electric là nhà sản xuất thiết bị tự động hóa hàng đầu thế giới, với lịch sử phát triển các dòng Servo MR từ những năm 1980. Các dòng sản phẩm như MR-J2S, MR-J3, MR-J4, MR-JE và MR-J5 đã trở nên vô cùng phổ biến tại Việt Nam nhờ hiệu suất vượt trội, độ tin cậy cao và tính dễ sử dụng.
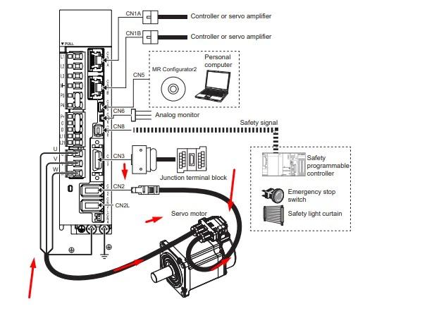
II. Cấu tạo của Servo Mitsubishi: Các thành phần cốt lõi

Một hệ thống Servo Mitsubishi tiêu chuẩn được cấu thành từ ba bộ phận chính, hoạt động đồng bộ để tạo nên khả năng điều khiển chuyển động chính xác:
- Bộ điều khiển Servo (Servo Driver/Amplifier): Đây là "bộ não" của hệ thống, tiếp nhận tín hiệu điều khiển từ PLC (Bộ điều khiển logic khả trình) hoặc CNC (Máy công cụ điều khiển số). Driver sẽ xử lý các tín hiệu này và điều chỉnh dòng điện cấp cho động cơ servo, từ đó kiểm soát vị trí, tốc độ và mô-men xoắn của động cơ. Các dòng driver servo Mitsubishi phổ biến bao gồm MR-J2S, MR-J3, MR-J4, MR-JE và MR-J5, mỗi dòng có những tính năng và công suất khác nhau.
- Động cơ Servo (Servo Motor): Là thiết bị chấp hành, nhận năng lượng từ driver và chuyển đổi thành chuyển động quay hoặc tịnh tiến. Động cơ servo Mitsubishi được thiết kế đặc biệt để đáp ứng nhanh với các lệnh điều khiển, cung cấp mô-men xoắn cao và hoạt động ổn định ngay cả ở tốc độ thấp. Các dòng động cơ phổ biến như HG-KR, HG-MR, HF-KP, HC-KFS, v.v., được tối ưu hóa cho từng loại ứng dụng cụ thể.
- Bộ mã hóa (Encoder): Gắn ở đuôi động cơ, encoder có nhiệm vụ đo lường chính xác vị trí và tốc độ quay của trục động cơ. Tín hiệu phản hồi từ encoder được gửi về driver, giúp hệ thống biết được trạng thái thực tế của động cơ để điều chỉnh kịp thời. Độ phân giải encoder càng cao (ví dụ: 22-bit trên MR-J4 , 26-bit trên MR-J5 ), độ chính xác điều khiển càng lớn.
- Cáp Servo (Servo Cable): Là cầu nối vật lý giữa driver và động cơ, truyền tải cả nguồn điện và tín hiệu điều khiển/phản hồi. Cáp servo Mitsubishi bao gồm nhiều loại chuyên dụng như cáp nguồn (Power Cable), cáp encoder, cáp phanh (Brake Cable) và cáp lập trình (PC Communication Cable). Việc lựa chọn cáp phù hợp (chiều dài, khả năng chịu uốn, cấp độ bảo vệ IP) là rất quan trọng để đảm bảo hiệu suất và độ bền của hệ thống.
III. Nguyên lý hoạt động của Servo Mitsubishi
Nguyên lý hoạt động của Servo Mitsubishi dựa trên cơ chế điều khiển vòng kín (closed-loop control), đảm bảo độ chính xác và ổn định vượt trội:
- Nhận lệnh điều khiển: Bộ điều khiển servo (driver) nhận tín hiệu lệnh từ PLC hoặc CNC, bao gồm thông tin về vị trí, tốc độ hoặc mô-men xoắn mong muốn.
- Cấp nguồn cho động cơ: Driver chuyển đổi tín hiệu lệnh thành dòng điện phù hợp và cấp cho động cơ servo.
- Phản hồi vị trí/tốc độ: Khi động cơ quay, bộ mã hóa (encoder) gắn trên trục động cơ sẽ liên tục gửi tín hiệu phản hồi về vị trí và tốc độ thực tế của động cơ về driver.
- So sánh và điều chỉnh: Driver so sánh tín hiệu phản hồi từ encoder với tín hiệu lệnh ban đầu. Nếu có sự sai lệch (lỗi vị trí, tốc độ), driver sẽ tính toán và điều chỉnh dòng điện cấp cho động cơ ngay lập tức để khắc phục lỗi, đưa động cơ về đúng trạng thái mong muốn. Quá trình này diễn ra liên tục và rất nhanh chóng, giúp hệ thống đạt được độ chính xác cao và khả năng đáp ứng tức thời.
Khả năng "tự động nhận dạng động cơ" và "định vị tốc độ cao" là những tính năng nổi bật của Servo Mitsubishi, giúp tối ưu hóa quá trình khởi động và vận hành.
IV. Ứng dụng của Servo Mitsubishi trong Công nghiệp
Nhờ khả năng điều khiển chính xác, tốc độ đáp ứng nhanh và độ tin cậy cao, Servo Mitsubishi được ứng dụng rộng rãi trong hầu hết các ngành công nghiệp đòi hỏi tự động hóa và độ chính xác cao:
- Điều khiển Robot: Servo Mitsubishi là lựa chọn lý tưởng cho các hệ thống robot công nghiệp, đảm bảo chuyển động linh hoạt, chính xác về vị trí, tốc độ và lực xoắn. Điều này giúp robot thực hiện các tác vụ phức tạp như lắp ráp, hàn, xếp pallet với độ tin cậy cao.

- Hệ thống máy CNC: Trong máy công cụ CNC (máy phay, tiện, cắt laser), Servo Mitsubishi mang lại tốc độ đáp ứng cao, khả năng quá tải lớn và độ cứng vững chắc, giúp máy hoạt động ổn định ở mọi tốc độ và tải trọng, đảm bảo độ chính xác gia công.

- Máy đóng gói và in ấn: Ứng dụng servo Mitsubishi trong ngành bao bì và in ấn giúp dễ dàng thay đổi tốc độ máy và chiều dài sản phẩm, tối ưu hóa quy trình và tăng năng suất. Hệ thống servo đảm bảo đồng bộ hóa chính xác, giảm sai số và phế phẩm, cho ra sản phẩm chất lượng cao.

- Dây chuyền sản xuất tự động: Từ máy sản xuất khẩu trang y tế đến các hệ thống dao cắt bay, máy cắt túi nilon, Servo Mitsubishi giúp tăng năng suất, loại bỏ nhiễu hệ thống và đảm bảo chất lượng sản phẩm.
- Các ngành công nghiệp khác: Servo Mitsubishi còn được sử dụng rộng rãi trong sản xuất chất bán dẫn, LCD, ô tô, dệt may, hệ thống xử lý vật liệu, máy cấp cuộn, máy bốc xếp, máy dập và các hệ thống tự động hóa công nghiệp khác yêu cầu chuyển động dừng/chạy đúng vị trí.
V. Lợi ích khi sử dụng Servo Mitsubishi
Việc lựa chọn và tích hợp Servo Mitsubishi mang lại nhiều lợi ích vượt trội cho doanh nghiệp:
- Độ chính xác và độ tin cậy cao: Đảm bảo kiểm soát vị trí và chuyển động với độ chính xác vượt trội, giảm thiểu sai số và tăng chất lượng sản phẩm.
- Tăng năng suất và hiệu quả: Tốc độ đáp ứng nhanh và khả năng quá tải cao giúp rút ngắn thời gian chu kỳ sản xuất, tăng sản lượng đầu ra.
- Dễ dàng cài đặt và vận hành: Các tính năng như tự động nhận dạng động cơ và phần mềm cấu hình trực quan (MR Configurator, MR Configurator2) giúp đơn giản hóa quá trình khởi động và điều chỉnh.
- Tiết kiệm năng lượng: Các dòng servo hiện đại được thiết kế để tối ưu hóa việc sử dụng năng lượng, góp phần giảm chi phí vận hành.
- Giảm thiểu lỗi và thời gian chết: Khả năng chống nhiễu tốt (đặc biệt với cáp quang) và các chức năng chẩn đoán tích hợp giúp hệ thống hoạt động ổn định, giảm sự cố. Các mã lỗi Servo Mitsubishi (ví dụ: AL.10, AL.16, AL.32, AL.33, AL.45, AL.50) được tài liệu hóa rõ ràng, giúp việc khắc phục nhanh chóng .
VI. Kết luận
Servo Mitsubishi không chỉ là một thiết bị truyền động, mà là một giải pháp toàn diện mang lại hiệu suất, độ chính xác và độ tin cậy cao cho các hệ thống tự động hóa công nghiệp. Với cấu tạo tinh vi, nguyên lý hoạt động vòng kín hiệu quả và khả năng ứng dụng đa dạng, Servo Mitsubishi giúp doanh nghiệp tối ưu hóa quy trình sản xuất, nâng cao chất lượng sản phẩm và giảm thiểu chi phí vận hành.
Nếu bạn đang tìm kiếm giải pháp Servo Mitsubishi chính hãng hoặc cần tư vấn về cấu tạo, nguyên lý hoạt động, ứng dụng hay cách khắc phục lỗi Servo Mitsubishi, hãy liên hệ với các nhà cung cấp uy tín tại Hải Phòng và trên toàn quốc để nhận được sự hỗ trợ chuyên nghiệp và sản phẩm chất lượng tốt nhất